Hulp of informatie nodig? 040-7676101 (ma - vr 08:00 - 17:00)
Menu
040-7676101
  • Laagste prijzen Exclusief voor installateurs
  • Gratis verzending vanaf €100 excl. btw.
  • Kennis & kunde Gratis lichtplannen en lichtadvies
  • Vandaag voor 20:00 uur besteld = vandaag verzonden
  • Ervaring 20 jaar actief in de lichtbranche

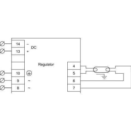
Philips HF-R 158 TL-D EII 220-240V

Waarom kan ik geen beschikbaarheid of prijzen zien?
Je kunt de beschikbaarheid en onze lage prijzen alleen zien als je inlogt. Je kunt wel ons assortiment verkennen. Nog geen klant? Vraag jouw account aan door te registreren.

Registreer

Specificaties

Reset

Hulp nodig?

Neem contact op met onze lichtexperts voor vrijblijvend advies.

Producten vergelijken (/)

Je kunt maximaal 5 producten in de vergelijklijst plaatsen.

Alles wissen